History of S-mix
NEVE3415 Special
ProToolsを使って小さなスタジオを作りたいのでマイクアンプとモニターセレクター
の高級品が欲しいとマスタリングエンジニアの方から相談がありました。
それならと思って薦めたのがこのお徳用バージョンです。
NEVE3415をマイクアンプとして使うだけでなmix時にはサミングアンプとしても使える
様にしてみました。いわば一つのケースにマイクアンプと、モニター機能トークバック
を組み込み常時使えるようにしてありますがミックスダウンや別のマイクアンプを使う
場合はNEVE3415を使ったS-mixになります。
使い方
色々な方ご使用になるのでマニュアルを欲しいというのですが価格に反映するのでHPに簡単な
構成を書いたのがこのページの基になっています。
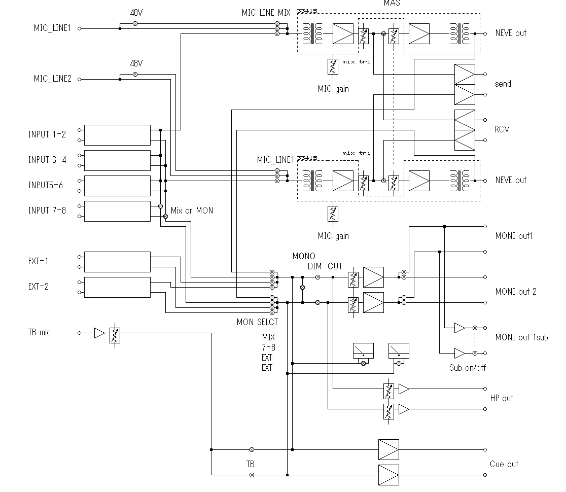
ブロック図
マイク及びラインインプットで使うとき

メーター横のHAスイッチを押すとNEVE3415はマイクアンプ単体となります。
mix用とは別に独立したXLRコネクターが付いておりLINE1,2スイッチでMIC
とLINE入力を切り替えます。裏パネルの3-8chのXLRコネクターはどこにも
信号が行きません。ゲイン切り替えは6dbステップで12ポジションです。
アウトのコネクターはmix使用時と同じです。またファントムスイッチは
1,2ch単独でon/offが出来ます。汎用に作った2Uパネルを使ったのでヘッ
ドフォーン用のVRの間に無理やり付けることになり手持ちのeaoしかサイズ
が合いませんでした。大型トグルスイッチは右側がインサーションのON/OFF
ですがこれはmix時に限らずマイクプリの状態でも使用可能です。左側のトグ
ルはPAN-SWでmix inの1-2をmonoにします。真ん中のトグルは裏パネル7-8イン
プットをmixから切り離しモニターセレクターの7-8が押された場合にダイレク
トにモニターできます。TBのマイクゲインとユーザーの希望でモニターして
いる信号を単独で送り出すためのVRが付いています。
モニターセレクト部分

3UタイプのS-mixと同じ配置の大きなノブを使ったクリック付きの音量調整と
各種機能SWです。モニター入力切替はmix out,LINEin7-8,EXT1,EXT2の4系
統を切り替えできます。DIM,MONO,LR単独cut,モニタースピーカー切り替えが
が付いていますが外部のサブウーファーのon/offも連動しています。DIM時の
レベル調整はパネルの都合によりメーターの真ん中についています。

裏パネルはミックス用の8個のXLR、マイクアンプ用のXLR、モニター切り替え
のXLRが2系統,インサーションのsend/rcv,スピーカーアンプ用が2系統,sub
ウーファーのin/out及びTB用のマイク端子です。
作ってみると更に色々な機能を入れたくなりますが電源トランスが4巻線しか
取れないので各部を見直してNEVEだけでなく色々なタイプの物を今後作って
みたいと思っています。現在あるスタジオで稼動していますが早速の追加依
頼はマイクプリとして使っているときに直接CUEに送れないかと言う依頼がき
ています。またマイクプリとして使った時にはミックス用の8インプットが不
要になっていますので他のミックス回路を追加して同時に使える様にしたいと
も思っています。特にプリアンプとミックスの切り替えにリレーを使ったのが
気に掛かります。やはりここはロータリースイッチでしっかり切り替えたいと
ころです。
History of S-mix