n-tosch top
トランスインのラインアンプ
2005.3.18

S-mixを愛用してくださっている方が最近インディーズ系の仕事で自宅で録音された
音源をProtoolsに取り込む事が増えてきて音の鮮度をもう少しなんとかしたいのですが
との相談がありました。私としてはQ/eightのEQやHAをお勧めしたのですが現在のS
-mixに内蔵したいというのが先方の希望でした。たまたま、ベルクリアのトランスが
ありましたのでこれを使って作ってみました。
NEVEコンソールのVシリーズなどで採用されているトランスで私のところのV1ではセン
ター部分で8ch分のエフェクトリターンに使われています。
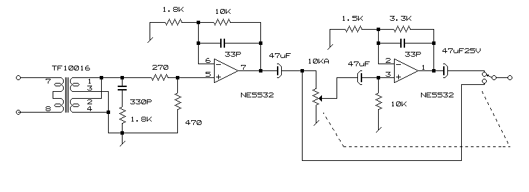
回路を調べ安定性と作りやすさでVシリーズのインサーションリターン部分を参考に作りました。

OPアンプは5534を使いたかったのですがサイズの問題で私とは相性の悪い5532を使わざるをえなくて5532で
作りました。基本的には上記回路の初段部分だけで良いのですがS-mixのゲイントリムも入れないといけないので
後段が追加されています。OPアンプの基本はやはり反転増幅が一番安定していると思うのですが位相の関係で
後段非反転増幅です。トランスの出力を分圧している抵抗値はOPアンプの増幅度決定の抵抗値と非常に面白い
関係がありますが今回はVシリーズのマニュアルに書いてある値を重要視しました。途中のVRは絞りきった状態で
スイッチにより後段のアンプをバイパスしてゲイン0dbとなります。
サイズ確認のためS-mixに取り付けてみました。
Tech_top