n-tosch top
モニターセレクト回路
2003.11.25
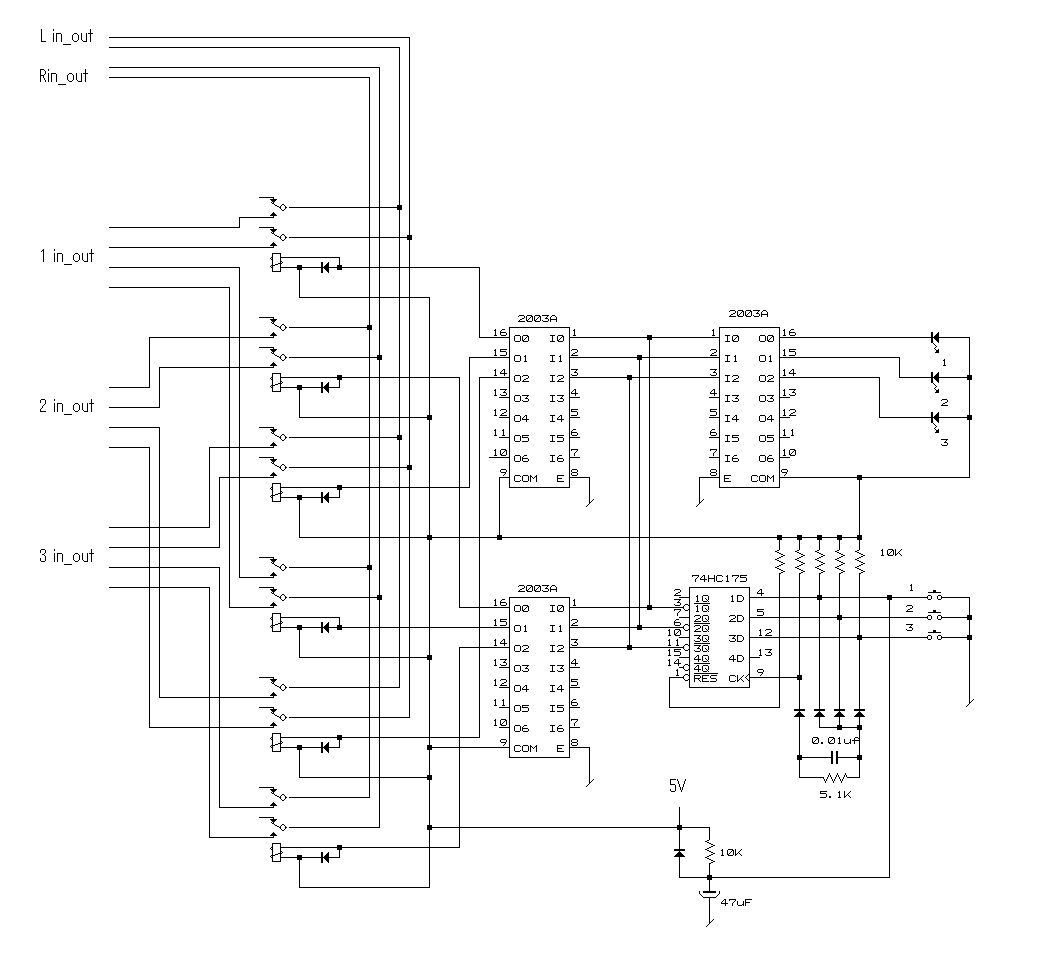
上の写真はパワーッドタイプのモニターを3台選べるセレクターです。どんなのでも良いのでと
依頼が結構あります。回路は非常に簡単な物で配線図は下記の通りですがパスコンなどは省いて
ありますので注意してください。松下のNTリレーの5Vを使っていますので内部は全て5Vです。
ドライブICの電流容量もありICを3個使用しました。照光部分も5Vでやっていますが電流や
入手の事を考えると12V程度の電球を使った方がよいかも知れません。。

Tech_top