n-tosch top
モニターセレクト回路
2002.7.9
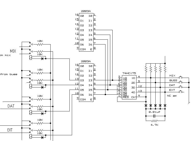
モニターセレクト回路は簡単そうなのに意外と作るのが面倒な物です。今回S-mix用に
使った回路ですが皆様の参考になればと思いアップさせて頂きます。ドライバーICが
パラってありますがこれはEAOのSWのLED用です。





配線図では4入力ですがこの基板は3入力です。なにを勘違いしていたのかパターンの
設計をしているときに勝手に3入力と思い込んでいました。リレーは松下製の5Vです。
右手前が入力切替、真中4個がLRのカット、DIM、モノ、パワートランジスタの後ろが
ラージ、スモールの切り替えです。この後モノの切り替えはOPアンプのミキシング
タイプにしたり他の部分と一緒にしてこのサイズの倍の基板に組替えました。
ロジック回路の線の引き回しが大変なので両面基板にしないと駄目かと思いましたが
現在20本のジャンパーでなんとかなっております。


Tech_top