Mic プリアンプにS-mixを搭載

n-toschの機材が沢山入ったスタジオを使っている方が限られた予算の中でマイクプリと
S-mixが欲しいと希望されて無理な物は出来ませんと一旦はお断りしましたが前から計画
はしていましたので今回作ってみる事にしました。
とりあえず、パネルはHA-Sシリーズを流用して右半分に追加スイッチを配置してベーク板
に文字を彫刻して穴をふさいでいます。SSLの82E241を二枚入れるとLineアンプが入らない
のでマイクアンプ部分のみ基板を作り2ch分をまとめました。

奥の基板の青いのはファントム用のコンデンサーとバッファーのOPアンプです。
抵抗はすべて金属皮膜にしたのですがちょっと驚きの結果が出ています。

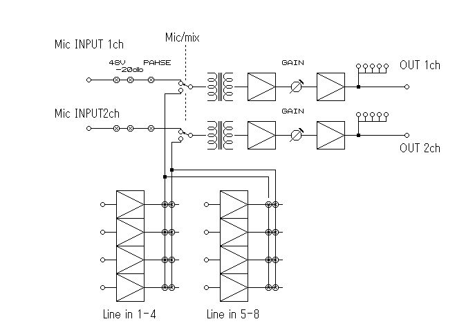
ブロック図ですが通常は2chのマイクプリですがSWで切り替えるとLineアンプ8台がアサインSWを
経由してJennsenのトランスにそのまま入ります。当然ですがマイクアンプとミックスは同時に使えません。

裏パネル右側から、MICイン、Mic or mix OUT、Line1-8 inputです。
Jensenタイプのマイクプリは数種類作っていますが今回は非常に苦労しました。
トランスでのmixはMarineairではやったことがありますがJensenでは初めてだったので
音決めには大変苦労しました。結局はLineアンプ側でも試行錯誤をしてこの形に
落ち着きました。
マイクプリ単体の性能としては問題ないのですがちょっと癖があるかな?と
疑問があります。ただ、mixに関しては問題なくパワフルな音になっています。